服务热线
155 3750 9966
立方氮化硼(CBN)砂轮的立方氮化硼颗粒粘在普通砂轮表面只有很薄一层,其磨粒韧性、硬度、耐用度是刚玉类砂轮的100倍,最适于加工硬度高、粘性大、高温强度高、热传导率低的难磨钢材及高速或超高速磨削。其应用范围与人造金刚石起着互相补充的作用。金刚石砂轮在磨削硬质合金和非金属材料时,具有独特的效果,但在磨削钢料时,尤其是磨削特种钢时,效果不显著。立方氮化硼砂轮磨削钢件的效率比刚玉类砂轮要高近百倍,比金刚石砂轮高五倍,但磨削脆性材料不及金刚石。
立方氮化硼砂轮的选择和金刚石砂轮的选择相类似。但在结合剂选用上,大部分是树脂结合剂,次之是电镀,金属结合剂。陶瓷结合剂CBN砂轮主要用于钛合金、高速钢、可锻铸铁等难加工的黑色金属的磨削,树脂结合剂CBN砂轮适用于磨削铁磁性材料,是加工钢材的理想选择。
CBN砂轮浓度一般在100%~150%间选用较经济合理,它不能用普通切削液,需特殊的切削液或干磨。
浓度与粒度的表示如下:
举例:B46V240(100%)
线速度与转速之间的转换公式:
V=n×3.14×D(直径)/6000=m/s
n=5000rpm
常用砂轮形状有平形砂轮(P)、单面凹砂轮(PDA)、双面凹砂轮(PSA)、薄片砂轮(PB)、筒形砂轮(N)、碗形砂轮(BW)、碟形一号砂轮(D1)等。
每种磨床所能使用的砂轮形状和尺寸都有一定的范围。在可能的条件下,砂轮的外径应尽可能选得大一些,以提高砂轮的线速度,获得较高的生产率和工件表面质量,砂轮宽度增加也可以获得同样的效果。
1.类型:1A1
形状和尺寸:按工件的形状、尺寸和机床条件选用。

D-T(U)-X-H
用途:
①沟槽
②刀体、钻头间隙
③周刃后角
④钻、铣刀具容削槽
⑤台阶
⑥外圆
⑦钻尖
2.类型:14A1
形状和尺寸:按工件的形状、尺寸和机床条件选用。

D-U-X-H-T-J
用途:
①沟槽
②刀体、钻头间隙
③周刃后角
④钻、铣刀具容削槽
⑤台阶
⑥外圆
⑦钻尖
3.类型:1V1
形状和尺寸:按工件的形状、尺寸和机床条件选用。

D-T(U)-X-V° -H
用途:
①沟槽
②钻、铣刀具容削槽
③台阶
④刀尖分削槽
⑤刀体间隙
⑥仿形
4.类型:14V1
形状和尺寸:按工件的形状、尺寸和机床条件选用。

D-U-X-V° -H-T-J
用途:
①沟槽
②钻、铣刀具容削槽
③台阶
④刀尖分削槽
⑤刀体间隙
⑥仿形
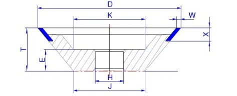
5.类型:11V9
形状和尺寸:按工件的形状、尺寸和机床条件选用。

D-W-X-H-T-E-J-K
用途:
①周齿、端齿
②刀体间隙
③台阶
④仿形
⑤钻尖
备注:砂轮夹角V°
始终为70度
6.类型:12V9
形状和尺寸:按工件的形状、尺寸和机床条件选用。

D-W-X-H-T-E-J-K
用途:
①周齿、端齿
②沟槽
③台阶
④仿形
⑤gash-端齿容削槽
备注:砂轮夹角V°始终为
45度
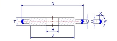
7.类型:11A2
形状和尺寸:按工件的形状、尺寸和机床条件选用。

D-W-X-H-T-E-J-K
用途:
①周齿、端齿
②刀体间隙
③台阶
④钻尖
备注:砂轮夹角V°始终为
70度
8.类型:4Y1
形状和尺寸:按工件的形状、尺寸和机床条件选用。

D-T-X-F-V° -H
用途:
①沟槽
②刀体间隙
③台阶
④仿形砂轮
9.类型:14EE1
形状和尺寸:按工件的形状、尺寸和机床条件选用。

D-U-X-V° -H-T-J
用途:
①仿形加工
②螺纹铣刀
备注:此砂轮类型也可为14K1(通常V°为30度;表示:D-X-V°-H-T-J)
10.类型:1FF1
形状和尺寸:按工件的形状、尺寸和机床条件选用。

D-T-X-R(1/2T)-H
用途:
①仿形加工
②后波刃铣刀的周刃
分削槽
③钻头刀槽
11.类型:14F1
形状和尺寸:按工件的形状、尺寸和机床条件选用。

D-U-X-R-H-T-J
用途:
①仿形加工
②后波刃铣刀的周刃X分削槽
③钻头刀槽
新半岛官网
新半岛官网是一家砂布深加工的专业化制造企业。公司产品主要有百页片/百叶片、千页轮/千叶轮、砂带、花蝶页轮、 带柄页轮、丝轮、砂布环带以及玻纤网盖等。历经多年的技术创新与磨砺, 圣叠磨具成功研发并建成了千页轮、页盘生产线以及玻纤基体生产线,实现了砂布抛光磨具的规模化生产。

TG888砂带,宽砂带,锆刚玉砂带,碳化硅砂带,堆积磨料砂带,陶瓷磨料砂带,棕刚玉砂带
公司销售网络已经在全国各地初步建立,并成功畅销欧美、东南亚等地区。在保证质量的基础上, 公司凭借着良好的信誉及优质的服务,赢得了业界同仁及客户的广泛认可。

TG888砂带,宽砂带,锆刚玉砂带,碳化硅砂带,堆积磨料砂带,陶瓷磨料砂带,棕刚玉砂带
新半岛官网始终以“为客户、为员工、为社会”的核心价值观,为您提供专业、高效、优质的服务。 与客户建立稳定双赢的合作关系,为员工创建舒适的工作环境及良好的发展空间,为社会提供更多、更好的就业机会, 为国家贡献更多的税收,努力推动节约型、文明型、和谐型社会的稳固发展。

TG888砂带,宽砂带,锆刚玉砂带,碳化硅砂带,堆积磨料砂带,陶瓷磨料砂带,棕刚玉砂带
新半岛官网始终以“为客户、为员工、为社会”的核心价值观,为您提供专业、高效、优质的服务。 与客户建立稳定双赢的合作关系,为员工创建舒适的工作环境及良好的发展空间,为社会提供更多、更好的就业机会, 为国家贡献更多的税收,努力推动节约型、文明型、和谐型社会的稳固发展。
未来,新半岛官网将继续秉承可持续发展、不断创新的理念。认真务实,更好的满足客户对深加工技术及产品质量的需求。忠实服务,加快纵深合作与客户携手同步发展。
